Return to previous page
|
Return to menu
|
Go to next page
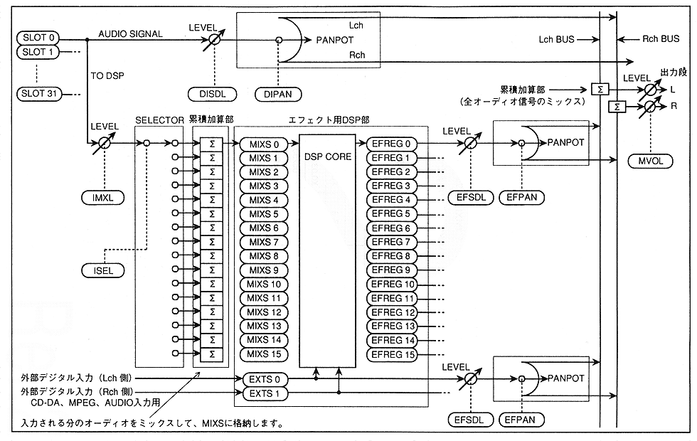
Figure 4.56 Digital mixer block diagram
Return to previous page
|
Return to menu
|
Go to next page