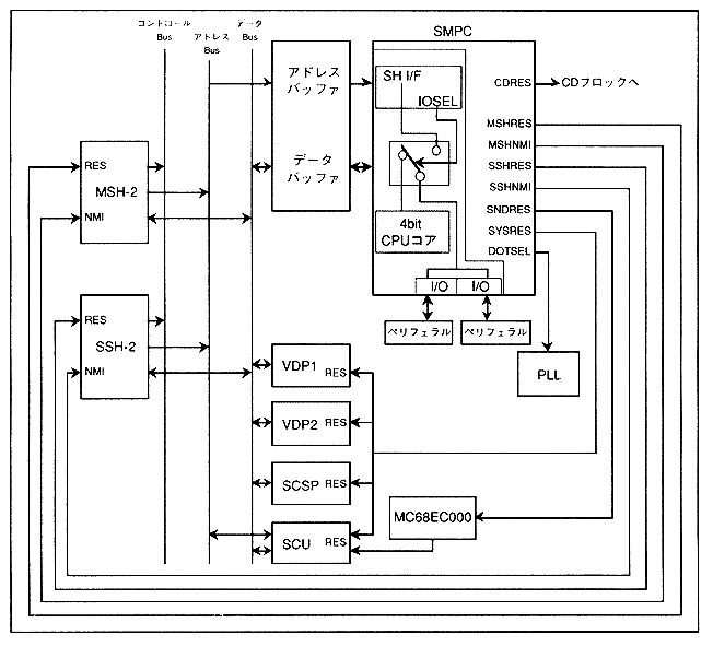
Figure 1.1 SMPC system configuration

∙ SMPC has two 7-bit parallel I / O ports.
Access to the I / O port is controlled by the firmware inside the SMPC, and two access methods, the SMPC control mode that outputs collected data to the SMPC output register (OREG) and the SH-2 direct mode that can be accessed directly from the SH-2. You can select. Refer to Chapter 3 for details of SMPC control mode and SH-2 direct mode.